Mahsulotlar
Quyosh panellari

Quyosh panellari

SFM 170- Watt Mono-Kristalli PV Quyosh paneli Yuqori modulni konvertatsiya qilish samaradorligi, uzoq muddatli chiqish va ishonchlilik uchun sifatli kremniy materiallaridan foydalanadi. Ehtiyot bo'ling Bepul. Yuqori protsedurtlik, past temir belgisi chidamlilik va ta'sirchan ta'sirga chidamliligi uchun.

Mahsulot tavsifi

 

SFM 170- Watt Mono-Kristalli PV Quyosh paneli Yuqori modulni konvertatsiya qilish samaradorligi, uzoq muddatli chiqish va ishonchlilik uchun sifatli kremniy materiallaridan foydalanadi. Ehtiyot bo'ling Bepul. Yuqori protsedurtlik, past temir belgisi chidamlilik va ta'sirchan ta'sirga chidamliligi uchun.

Import va mahalliy materiallar bilan ishlab chiqarilgan

Qora orqa varaqli qora ramka

Ijobiy quvvat bardoshlik (0 +3%)

50 funtgacha kuchli mexanik kuch bilan noyob freym dizayni. shamol ko'tarilishi va qor yuki

Yuqori harorat va zaif yorug'lik sharoitida ajoyib elektr quvvati

Ketma-ket satrlarda soya qiluvchi ta'sirni yumshatish diapazoni

 

Parametr

 

Elektr xususiyatlari (STC *)
Model raqami (SFM)

150W

155W

160W

165W

170W

175W

180W

STCda maksimal quvvat (PMX)

150W

155W

160W

165W

170W

175W

180W

Maksimal quvvat kuchlanishi (VMP)

18.02

18.10

18.20

18.41

18.56

18.78

19.01

Maksimal quvvat manbai (IMP)

8.33

8.56

8.80

8.96

9.15

9.35

9.47

Ochiq tutun kuchlanishi (VOP)

21.62

21.72

21.84

22.09

22.27

22.54

22.62

Qisqa tutqich oqimi (ISC)

9.07

9.33

9.58

9.77

9.94

10.16

10.32

Maksimal tizim kuchlanishi (v)

1000V DC (IEC)

Maksimal seriyali reyting reytingi (a)

15A

Quvvat bardoshlik (%)

0-+3%

Nokka

45 ± 2 daraja

PMX harorat koeffitsienti

-0. 46% \/ daraja

Vinchi harorat koeffitsienti

-0. 346% \/ daraja

ISC harorat koeffitsienti

0. 065% \/ daraja

Ishlash harorati

-40 +85 darajasidan
* STC (SCOCCE TEST holati): 1000W \/ ㎡ \/ ㎡, modul harorati 25 daraja, Am1.5
Eng yaxshi sinfda AAA Quyosh simulyatori (IEC {{{{{{{{{{{{{{{60904-9) ± 3% ichida noaniqlik bilan ishlatiladi

 

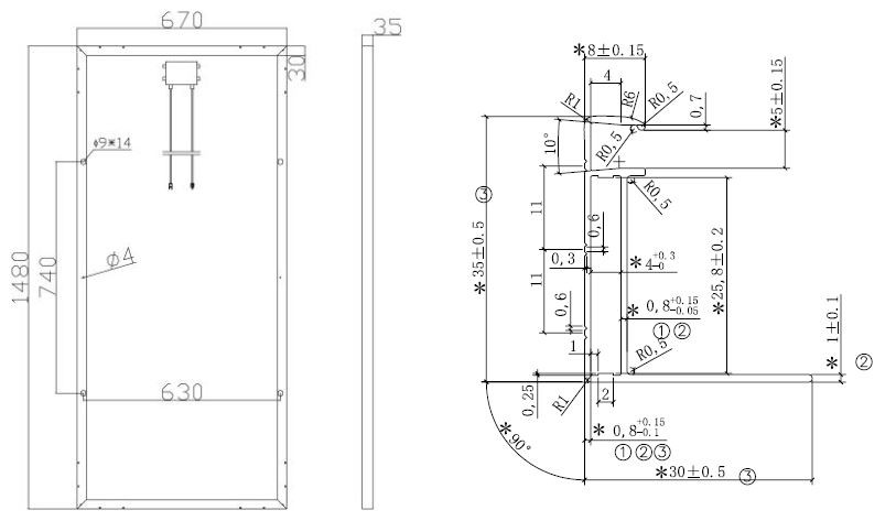
Muhandislik rasmlari (mm)

 

1

 

Mexanik xususiyatlar

Quyosh hujayralari

36 (4 × 9) mono-kristalli kremniy quyosh hujayralari 156 × 156mm

Old stakan

3.2 mm ({0. 13H) yuqori yuqumli shisha

Kapalaklashtirmoq

Eva (etilen-vinil asetat)

Ramka

Ikki qavatli anadlangan alyuminiy qotishmasi

Birikma quti

IP67 RATED, xizmat ko'rsatadigan diapiya bilan

Kabellar

UB chidamli quyosh kabeli (ixtiyoriy)

Ulagichlar

MC4 mos keladigan ulagichlar (ixtiyoriy)

O'lchamlari (l × w × h)

1480 × 670 × 35mm

Vazn

12kg

Maks.Aload

Shamol yuklanishi: 2400pa \/ qor yuki: 5400PA

 

Qadoqlash konfiguratsiyasi

Qadoqlash miqdori

2pcs \/ karton

Miqdori \/ sofligi

50pcs \/ palet

Yuklash hajmi

569PC \/ 20FT, 1180PC \/ 40FT

 

O'ziga xos xususiyat

 

Ko'ngilli yulduzlar energiya so'rilishini kuchaytirishga yordam beradi, yuqori va pastki kumush ulanishlar, oq va pastki qatlamlarning ekvivalentiga va pastki laminat qalinligi tufayli hujayra mikrob yoriqlarining o'rniga.

Hatto yuqori haroratlarda ham, quyosh hujayrasi an'anaviy kristall quyosh kamerasidan ko'ra samaradorlikni saqlab qolishi mumkin. Bu, ayniqsa, issiqlik singdirish kattaroq bo'lgan "barcha qora" modullar uchun muhimdir. So'fiy eng yaxshi elektr energiyasi yaratilganda, yozda eng yaxshi ko'rsatkichlarni etkazib beradi. Bu juda ko'p turli xil dasturlar, hatto ish joylari, garajlar yoki lagerlar uchun turli xil dasturlar, garajlar yoki lagerlar uchun juda muhimdir.

Yerdagi o'rnatish mos keladi

On-panel va panjara invertorlari bilan mos keladi

Qoronma va tijorat dasturlari uchun qora quyosh panellari, u erda ko'rish juda yoqimli yoqimli yoqimli yoqimli va maksimal samaradorlik birinchi o'rinda turadi.

 

Biz haqimizda

 

Qinhuangdao Sufu Elektron Co., Ltd zamonaviy quyosh moduli, quyosh tizimi echimlari va xizmat ko'rsatish etkazib beruvchisi. Quyosh energetikasi, quyosh ko'chalari, quyosh nasosi va fotot-Voltaik elektr stantsiyalari, quyosh pompasi va fotot-Voltaik elektr stantsiyalari.

30 million, {1}} seminarlarni qamrab olish, birinchi fazali sarmoyasi - 20 million rmb, har yili mono va poli silak panellari uchun 20mb.

So'fiy dunyoga TUV, IEC, IEC va ISO9001 va boshqalar bilan xalqaro sertifikatlangan ishonchli va qayta tiklanadigan mahsulotlarni taklif qilmoqda.

Mahsulot avstraliya, Hindiston, Yaponiya, Koreya, Janubiy Sharq, Janubiy Osiyo, Afrika va boshqa davlatlar orasida keng qamrovli mijozlarga tegishli.

 

Guvohnoma

 

4

 

Nega bizni tanlaydi?

 

1

2. Bizda kuchli ilmiy-tadqiqot jamoasi bor.

3. Buyurtma uchun OEM xizmatini taklif qilish.

4. 12 soat ichida javob bering.

5. Raqobat narxini taklif qilish, savdoning keyingi xizmat ko'rsatish xizmati.

 

TSS

 

Savol: Nima uchun so'fiyni tanlaysiz?

Javob: Chunki biz 11 yildan ortiq vaqt davomida quyoshlik aksessuarlarning professional ishlab chiqaruvchisi bo'lganimiz uchun. Bizda a'lo darajada xom etkazib beruvchilar va kuchli muhandislik jamoamiz bor.

 

Savol: Yetkazib berish vaqti qaysi?

Javob: Oldindan oldindan to'lovni tasdiqlagan buyruqdan keyin 15 kun ichida.

 

Savol: Sizning kafolat shartlari nima?

Javob: Biz turli komponentlar uchun turli xil kafolatli vaqtni taklif etamiz, iltimos biz bilan bog'laning.

 

Savol: Sizning sifatni boshqarish tizimi haqida qanday?

Javob: Sifat ustuvor vazifa. Biz har doim ishlab chiqarish oxiriga qadar sifat nazoratiga katta ahamiyat beramiz. Har bir mahsulot qadoqlash va etkazib berishdan oldin to'liq to'planadi va ehtiyotkorlik bilan sinovdan o'tkaziladi.

 

Issiq teglar: Quyosh panellari barcha qora, etkazib beruvchilar, ishlab chiqaruvchilar, fabrika, moslashtirilgan, ulgurji, sotib olish, narx, eng yaxshisi, eng yaxshisi, narxi, narxi

So'rov yuborish