Mahsulotlar
300 vatli quyosh paneli

300 vatli quyosh paneli

Tafsilotlar
Eva
Yuqori uzatishning yuqori qismida yuqori gelli tarkib yaxshi durablanishdan uzoqroq davom etish bilan tebranish bilan hujayralarni himoya qilish uchun yuqori gelli kontent.

Mahsulot tavsifi

 

300 vatli quyosh moduli poli-kristall

Tafsilotlar

Eva

Yuqori uzatishning yuqori qismida yuqori gelli tarkib yaxshi durablanishdan uzoqroq davom etish bilan tebranish bilan hujayralarni himoya qilish uchun yuqori gelli kontent.

Quyosh hujayrasi

5bb mavjud

156cell yuqori samaradorlik hujayralari

Anti-pid

To'pponcha

IP 67 suv o'tkazmaydigan

To'liq elim to'ldirilgan innovatsion

Portret \/ landshaft uzunligi ixtiyoriy

Mos keladigan MC4

500 d zensil kuch

Ayol \/ erkak \/ sug'urta

Yorliq

SUVNOUFALANUNOJALANUVCHI QO'ShIMChA

Logotipingiz bilan oem

Professional kumush rang

 

Parametr

 

Elektr xususiyatlari (STC *)

Model raqami (XFP)

310W

315W

320W

325W

330W

335W

340W

345W

350W

STCda maksimal quvvat (PMX)

310W

315W

320W

325W

330W

335W

340W

345W

350W

Maksimal quvvat kuchlanishi (VMP)

36.00

36.39

36.47

36.53

36.63

36.70

36.80

36.94

37.01

Maksimal quvvat manbai (IMP)

8.61

8.66

8.78

8.90

9.01

9.13

9.24

9.34

9.46

Ochiq tutun kuchlanishi (VOP)

43.20

43.36

43.76

43.83

43.98

44.04

44.16

44.33

44.41

Qisqa tutqich oqimi (ISC)

9.38

9.53

9.65

9.79

9.91

10.04

10.16

10.18

10.31

Maksimal tizim kuchlanishi (v)

1000V DC (IEC)

Maksimal seriyali reyting reytingi (a)

15A

Quvvat bardoshlik (%)

0-+3%

Nokka

45 ± 2 daraja

PMX harorat koeffitsienti

-0. 46% \/ daraja

Vinchi harorat koeffitsienti

-0. 346% \/ daraja

ISC harorat koeffitsienti

0. 065% \/ daraja

Ishlash harorati

-40 +85 darajasidan
* STC (SCOCCE TEST holati): 1000W \/ ㎡ \/ ㎡, modul harorati 25 daraja, Am1.5
Eng yaxshi sinfda AAA Quyosh simulyatori (IEC {{{{{{{{{{{{{{{60904-9) ± 3% ichida noaniqlik bilan ishlatiladi

 

Mexanik xususiyatlar

Quyosh hujayralari

72 (6 × 12) poli-kristalli kremniy quyosh hujayralari 156 × 156mm

Old stakan

3.2 mm ({0. 13H) yuqori yuqumli shisha

Kapalaklashtirmoq

Eva (etilen-vinil asetat)

Ramka

Ikki qavatli anadlangan alyuminiy qotishmasi

Birikma quti

IP67 RATED, xizmat ko'rsatadigan diapiya bilan

Kabellar

UB chidamli quyosh kabeli (ixtiyoriy)

Ulagichlar

MC4 mos keladigan ulagichlar (ixtiyoriy)

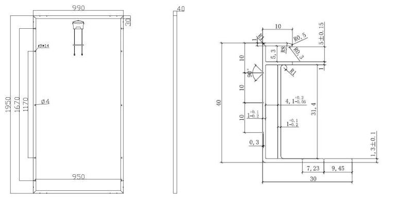
O'lchamlari (l × w × h)

1950 × 990 × 40 mm

Vazn

22 kg

Maks.Aload

Shamol yuklanishi: 2400pa \/ qor yuki: 5400PA

 

Muhandislik rasmlari (mm)

 

 

1

 

Tafsilotlar

 

Temperli shisha

- past temir, yuqori uzatiladigan shisha, qalinligi 3,2 mm qalinlik.

- Oqillatish pulti 91% yoki undan ko'p.

- Yaxshi issiqlikdagi barqarorlik bor.

 

Eva filmi

- Turli xil interfeysga yuqori shaffoflik, yuqori shaffoflik qo'llanilishi mumkin.

- past erigan punkt, osonlikcha oqishi, turli xil oynali laminatsiya jarayonlariga qo'llanilishi mumkin.

- saqlash oson.

- yuqori harorat, namlik, UB nurlariga nisbatan yaxshi chidamlilik

 

Quyosh hujayrasi

- 18,8% gacha samaradorlik.

- policroine kremniy, 156 * 156mm

 

Birikma quti

- 3 Terminal bloklari kerak bo'lganda o'rnatilishi mumkin.

- Barcha ulanish usullari tez plagin bilan bog'liq.

- Chig'anoq yuqori navli xom ashyolardan qilingan va yuqori darajaga qarshi va UB qarshilikka ega.

- IP67 kursini himoya qilish darajasi.

 

Ariza

 

Bugun quyosh elektr energiyasining eng keng tarqalgan foydalanish shiddatli deb ataladi: qayerda quyosh elektr energiyasi mavjud tarmoqli elektr ta'minoti bilan bog'liq. Quyosh elektr energiyasidan foydalanish juda mashhur, chunki batareyalarni saqlash batareyalaridan foydalanishning o'rniga, elektr energiyasi va talab kabi tarmoqqa eksport qilinadi. Bu quyosh tizimlarining narxi va murakkabligini kamaytirishga yordam beradi.

 

Qadoqlash

 

Qadoqlash konfiguratsiyasi

Qadoqlash miqdori

25 dona \/ karton

Miqdori \/ sofligi

50pcs \/ palet

Yuklash hajmi

598pc \/ 40ft

 

Guvohnoma

 

4

 

Nega bizni tanlaydi?

 

1

2. Bizda kuchli ilmiy-tadqiqot jamoasi bor.

3. Buyurtma uchun OEM xizmatini taklif qilish.

4. 12 soat ichida javob bering.

5. Raqobat narxini taklif qilish, savdoning keyingi xizmat ko'rsatish xizmati.

 

TSS

 

1. Siz ishlab chiqaruvchimisiz yoki savdo kompaniyangizmi?

Javob: Biz ishlab chiqaruvchi va savdo kompaniyamiz, OMM va ODM.

 

2. Sizning fabrikangiz sifat nazorati haqida qanday ishlaydi?

Javob: Sifat mahsulotlarning yadrosi, sifatni kafolatlash uchun professional tester va test apparati mavjud. Va biz ISO9001, CE, Roh, CC va boshqalar sertifikatini oldik.

 

3. Nega bizni tanlash kerak? Har qanday afzalliklar bormi?

Javob: Javob ha. Quyida kabi ba'zi afzalliklar mavjud.

(1) O'zaro manfaatlar: bizning taklifimiz mulohazakor bo'ladi, bizning narximiz bir xil sifatga ega bo'ladi.

(2) Maxsus sozlash: biz mahsulotni sizning so'rovingiz, shaklingiz va sifatingiz sizning so'rovingizni bajarishi mumkinligi sababli amalga oshirishimiz mumkin.

(3) aralash tartib: Biz aralash tartibni, turli xil model va oz miqdorni qabul qilamiz

 

Issiq teglar: 300 vatli quyosh paneli, etkazib beruvchilar, ishlab chiqaruvchilar, fabrika, moslashtirilgan, ulgurji, ulgurji, narx, narx, eng yaxshisi, narxi, sotiladi

So'rov yuborish